ROM, ÁTKAPCSOLÁS ROM VERZIÓK KÖZÖTT, BEÉPÍTETT CARTRIDGE MODUL
Ezen az oldalon találhatunk meg mindent, ami ra ROM-okkal kapcsolatos. A TVC ROM mentéseit, a BASIC 1.2/2.2 váltókapcsoló beépítését, valamint a beépített cartridge tartalom készítését.
| A ROM mentések |
| BASIC 1.2/2.2 átkapcsolás beépítése |
CARTRIDGE tartalom beépítése kettős BASIC-re átalakított számítógépbe |
| VT-DOS/UPM átkapcsolás beépítése |
| További fejlesztési lehetőségek |
Csontos Andrásnak hála, igen nagyra bővült a TVC ROM gyűjteményünk
BASIC 1.1
A TVC klubnak a gyártól kapott gépein volt,
még a gép indulásakor.
letöltés
BASIC 1.2
Az elős szériák voltak ezzel forgalmazva,
még a plusszos korszak előtt, ezek a gépek temészetesen nem tudtak DOS-t
használni, később is csak úgy, ha átalakításra kerültek.
letöltés
BASIC 2.2
A plusszos gépek BASIC-je, melyhez annak
idején érdekes módon jutottunk. A "plusszos" kiállítási bemutatóján
(talán tavaszi BNV-n) a kihelyezett bemutató géphez odakéredzkedett az egyik klubtag, mondván, hogy hagy próbálja
ki hogy néhány, a régi gépre írt programja az új rendszerrel jól fut-e?.
Odaengedték, miért is ne tették volna. Legközelebbi klubgyűlésen már floppy-lemezzel
a kezében jött, amire a próba közben néhány ügyes utasítással kimentette
a rendszer ROM tartalmat. Ebből születtek az eredeti kettős BASIC-ű bővítéseink,
még akkor, amikor kereskedelmi forgalomba nem is került "a plusszos".
letöltés
DISK csomag
Nem eredeti Videoton ROM csomag, hanem egybeszerkesztettt
UPM+VT-DOS1.1 illetve egybeszerkesztett UPM+VT-DOS1.2 ROM anyagot tartalmaznak,
mely az átalakításhoz szükséges.
letöltés
VT-DOS 1.1 és VT-DOS 1.2
Az egyik VT-DOS (disk-csatoló+cartridge)
anyagot emlékeim szerint valamelyik iskola által kapott disk-rendszerről
mentettük le, a másikat talán a VIDEOTON-ból kaptuk, nem hivatalos úton,
EPROM-ban. A gyári teszteket, és EPROM-égető anyagot szintén EPROM-ban
kaptam, szintén baráti alapon. Eredetileg a cartridge anyag gyűjtésének az
volt az oka, hogy a "felfutási" időszakban volt olyan programozó,
aki a saját programját is cartridge-ban tervezte kiadni, és érdekelte
a loader-programrész működése. Persze később nem lett belőle semmi.
(Amelyik EPROM-nak akkor feljegyeztem
a pozícióját, (pl. az 1.1-es BASIC) annak az anyagába "bezippeltem" egy olvassel.txt
anyagot is, amiben a le van írva a pozíciószám. Amihez nem mellékeltem,
arról én sem tudok többet, vagy pedig "egydarab" EPROM-os anyagként
nincs jelentősége. A floppy vezérlő kártyák esetében) (Mint kiderült ezek nem jók, de azért itt hagyom hátha jó lesz még valamire: VT-DOS 1.1 VT-DOS 1.2)
A helyes VT-DOS romok: VTDOSROM.ZIP
A hozzá tartozó lemez image: VTDOS-SYTEM.ZIP
EPROM égetős és TVC Tesztprogram
A gyári teszteket, és EPROM-égető anyagot
szintén EPROM-ban kaptam, szintén baráti alapon. Ez a program Videotonos
gyári eprom égető programja (HBE
rajz a tervrajzok lapon), míg a TVC tesztprogram a gyári tesztkártya
anyagát tartalmazza.
EPROM égető
TVC Tesztprogram
UPM
Az UPM diskcsatoló, és cartridge szintén a
gyártól kapott rendszer része volt, és szintén korai terméke volt a VIDEOTON-nak.
Nekünk a "Videoton Számítástechnikai Gyáregység, Oktatási Osztály"-nál
az UPM a nagygépes rendszerek miatt használt, mindennapi rendszer volt, persze
a hétköznapi TVC tulajdonosoknak ez idegen dolog volt, nem kedvelték. Ezek
az anyagok a gyári gépből kivett EPROM-okból lettek lementve.
letöltés
CIRILL BILLENTYŰZETES TVC ROM
Egy különlegességnek számít, és sokáig nem
is tudtunk róla, hogy készült ilyen verzió is. Ennek most itt a ROM mentése.
Képek a galériában találhatóak róla..
letöltés
A következő régi anyagokat őriztem meg, mivel
bináris tartalmuk nem egyezett meg a fenti ROM gyűjtéssel.
Kíváncsi lennék, ki tudna magyarázattal szolgálni rá, hogy mi a különségek
oka, vagy hol vétettem az összehasonlításban.
A VT-DOS floppycsatoló kártya vezérlő ROM-ja
(valószínüleg,
ellenőrzésre vár)
A VT-DOS cartridge
3-as és 4-es memória helyen lévő romja
(megerősítést ebben az esetben is elvárnánk)
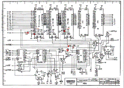
HBA nyomtatott áramkörű TVC átalakítása átkapcsolható,
kettős
BASIC operációs rendszerűvé
Szükséges szerszámok
Szükséges anyagok
Az a bizonyos későbbi magyarázat
a mellékelt fotókon látszik, hogy a kapcsoló elég megátalkodott módon a modulátor oldalához lett forrasztva. Elektronikai szempontból nem szép megoldás, de a TVC házán ez követeli a legkisebb átalakítást, és később is szétszedhető, szervizelhető marad a gép. Természetesen más megoldás is lehet, mindenki maga dönti el, hogy hová, és hogyan szereli a kapcsolót. A továbbiakban az általam követett eljárást magyarázom. Az általam beszerezni sikerült kapcsoló két áramkörös, feketére festett fémházú darab. A két áramkört párhuzamosan kötöttem, tulajdonképpen csak egy váltó kontaktusra van szükség. A fém ház két végéről (a csavarfülekről) a festéket lereszeltem, és a fém-tiszta felületet előónoztam. Ellenőrizendő, hogy a melegítés hatására nem romlott-e el a kapcsoló, illetve, hogy átkapcsoláskor nem zárja-e össze a két szélső pontot a kontaktus. (Nem szokta, de az ördög + Murphy nem alszik.)
A kapcsoló két-szélső kontaktusára kb. 6-6 cm-es vezeték darabot célszerű forrasztani, a középső (közös) pontra kb. 20 cm-es vezetékdarab kell, a kapcsoló végleges helyétől a D3-as, és a D7-es IC-k 27, illetve 26-os pontjáig kell, hogy kényelmesen elérjen. Ezeken a pontokon a kábelre fel kell forrasztani a "precidip" foglalatlábat, és szigetelni zsugorcsővel, vagy szigetelő szalaggal. A következő képen látszik az előkészített kapcsoló, és a két EPROM. A fotók rossz minőségéért elnézést kérek, web-kamerával készültek.
Az előkészített kapcsolót a helyére be kell forrasztani a modulátor oldalánál, vigyázva, hogy a többi alkatrész lábához ne érjen hozzá. (Egy elektrolit kondenzátor negatív lába van ott "rossz helyen", azt célszerű elhajlítani az útból.) A Kapcsoló szélső érintkezőire menő vezeték egyikét testre, (pl. a modulátor háza) a másikat a +5V-os tápfeszültségre (pl. szomszédos IC 14-es lába) kell kötni.
Ezután célszerű bekapcsolni a TVC-t, és ellenőrizni, hogy az eredeti EPROM-okkal jól működik-e, a modulátor túlélte-e a beavatkozást, és a kapcsolót is átkapcsolni párszor, hogy jól kézre áll-e, és a tápfeszültségen nem csinál-e zárlatot. (Elég csak a panelt egy szigetelőlapra fektetve bekapcsolni, (RESET ne nyomódjon,) billentyűzetet nem kell visszaszerelni erre a tesztre.)
Ha minden OK, akkor kikapcs, nagy levegő, és indul az átalakítás. Az átalakítási leírás végén mellékelek egy HBA kapcsolási rajz 3. lap ábrát, amelyet A/4-es méretűre kicsinyítettem, és a szükséges változtatásokat pirossal bejelöltem, így pl. otthoni tintasugaras nyomtatón is kinyomtatható.

TB8 alulról, ahol vágni kellett, (fénnyel átvilágítva a túloldali felszitázott
négyzet felismerhető).

Jobb alsó sarok: TB8 a beforrasztott
átkötéssel.

Középen balra: TB2, TB3 vágni, jobbra
TB4 átkötéseket betenni.

A TVC_SYS.256 tartalmú EPROM, a kihajlított
27. lábra csatlakozó kapcsoló
vezetékkel, a helyére téve.

A TVC_EXT.128 tartalmú EPROM a helyén,
a kapcsoló vezetékkel.
Ezután megint célszerű kipróbálni, hogy minden rendben van-e? Bekapcsolás után a TVC-szokásos reklámképe kell hogy feljöjjön, átkapcsolás után a színek változásába "belefagy", reset után megint inicializál, és elindul reklámkép. Ha a billentyűzetet is csatlakoztatjuk, akkor bármely gomb lenyomására átvált a BASIC képernyőre, kiírva a verziószámot. (1.2-es, és 2.2-es verzióknak kell jelentkeznie.) Oprendszer váltáshoz nem kell kikapcsolni a gépet, de utána mindenképpen reset-tel kell betölteni az új állapotot. Ha működik minden, akkor a kapcsoló másik füle, és a nyomtatott panel közé pár csepp kétkomponensű műgyanta ragasztót célszerű kenni, majd a doboz felső felére át kell jelölni a kapcsoló helyét, és kireszelni a nyílást a számára.

A kireszelt nyílás a kapcsolónak

És végül az összeszerelt állapot

A kapcsolási rajz részlet, bejelölve
a szükséges változtatásokkal.

Végül
még egy kép pirossal jelölve azokat a helyeket ahol az átkötések elvágandók,
illetve kékkel berajzolva az új átkötések.
A fentiek alapján (ha valakit érdekel), a szükséges átalakítás elvégezhető.
A cserélendő epromok tartalma innen tölthető le: atalakitaseprom.zip
Az átalakítási dokumentáció eredeti formájában innen tölthető le.
Praktikus tanácsok
Végül egy ajánlat, és egy kérés
Ha valakinek kérdése van a fentiekkel kapcsolatban, akkor a csonty@freemail.hu
e-mail címen kapcsolatba léphet velem, de senkit nem biztatok, hogy gyorsan
tudok válaszolni, jó esetben is legfeljebb havonta egy estét tudok a TVC-re
szánni. A segítségem csak elméleti tud lenni, ma már nem elektronikai a munkám,
így eszközeim sincsenek. A fenti átalakításhoz nekem is be kellett kéredzkednem
ismerősök műhelyébe.
És akkor a kérés
Ha valaki használni tudta (és akarta) a fenti anyagot, kérem, hogy szintén a fenti csonty@freemail.hu e-mail címen jelezze, csak hogy lássam, hogy mennyire van igény hasonló dokumentációkra a TVC-s témában.
Sok sikert, üdv minden TVC-s-nek!
Budapest, 2004 október 11 Csontos András
CARTRIDGE tartalom beépítése kettős BASIC-re átalakított számítógépbe
Az előző dokumentáció szerint átalakított, átkapcsolható, 2 féle BASIC rendszerrel kiépített, HBA nyomtatott áramkörű TVC-be az eredetileg cartridgeban forgalmazott (vagy éppen nem forgalmazott) programok beépítését fogom most ismertetni.
A szükséges szerszámok, és ismeretek ugyanazok, mint az előző cikkemben.
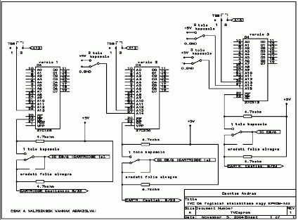
Az előzőek szerint átalakított HBA panelon egy 28 lábú EPROM-foglalat üresen marad, az átalakítás után. Ez a D4-es pozíciószámú foglalat lesz tevékenységünk legfőbb tárgya. A kapcsolási rajzot (HBA/3, és HBA/11 lapok) tanulmányozva elismerhető, hogy a cartridge által használt adat (D0-D7) és cím (A0-A13) vonalak (az A13 vonal kivételével) a most üres (D4) EPROM-foglalathoz is elvezetnek, továbbá a tápfeszültség ellátás az EPROM lábainál, és az RD (read) jel az EPROM OE (output enable) lábához vezetve eleve rendelkezésünkre áll. Ha a CARTRIDGE engedélyező (cartridge foglalat B oldal 23-as láb CART kimenet) jelét az EPROM címzését engedélyező (EPROM 22-es láb CE (chip enable bemenet)-re) vezetjük, akkor 27C64-es EPROM-ba beprogramozott (EPROM méretéből adódóan maximum 8kB-os) programot helyezhetünk el itt. (Az EPROM-ok kapacitását kilo-bitekben adják meg, az adja a 8-szoros különbséget a kilo-bájthoz képest, ami például a fájlok méretmegadására jellemző.) Mivel a gyári cartridge csatlakozás 16kB-átvitelre lett kialakítva (az A13-as vonalat is használja,) ezért a teljes címtartomány használatához nagyobb EPROM-ot (27C128) és az EPROM-hoz odavezetett A13-as címbitet is használnunk kell.
Mielőtt a gyakorlati megvalósításra térnénk, egy kis cartridge elmélet: a TVC cartridge gyakorlatilag kívülről "1 db EPROM"-ot valósít meg. Valószínűleg alkatrész beszerzési anomáliák miatt (1980-as évek Kelet-Európája) úgy kivitelezve, hogy minden pillanatnyilag éppen kapható ilyen alkatrész beletehető legyen.
(Nekünk most viszont az alaplapon egyetlen szabad foglalattal kell megoldanunk a feladatot, ezért egyetlen (megfelelően nagy) EPROM-ban kell elhelyeznünk a tartalmat, (ami különösebb gondot nem jelent.))
Mivel a kereskedelmi forgalomba került cartridge-ok egy részének EPROM-jait gyárilag beforrasztották, ezért ezek kiolvasása nem túl egyszerű. (Nem is túl bonyolult, de segédeszköz kell.

A fenti képen egy TVC cartridge kiolvasásra
épített adapter látható, amelynek a lap tetején látható lengő csatlakozója a cartridge-ra csatlakoztatható, a
középen
látható része egy epromégető IC foglalatába csatlakoztatható, az alsó dugó
az epromégető epromtípus "kódoló" dugója. Pontos elkészítési
dokumentáció megadása itt célszerűtlen, hiszen a végleges megoldás a kiolvasásra
alkalmazandó epromégetőtől is függ. (Ha valaki megépíti, akkor az epromégetőjén
a 27C128-as IC-nek megfelelően kösse be, és használja.)
Mivel a fenti eszköz a sajátom, ezért felajánlom, hogy ha valaki közkinccsé szándékozza tenni a TVC cartrige-a tartalmát, akkor, ha eljuttatja hozzám, akkor kiolvasom, ide, a www.tvc.homeserver.hu web-lap szerkesztőjének e-mail-ben elküldöm a kiolvasott tartalmat, és a cartridge-ot visszajuttatom a tulajdonosának. (Hacsak így 20-év távlatából a szerzői jog tulajdonosa nem tiltja le ezt az akciót.) (Ha valaki keres, akkor a csonty@freemail.hu -ra küldjön egy e-mailt.)
A fenti két dologból következik az, hogy egyrészt a cartridge-ot "1 db EPROM"-ként olvassuk ki, másrészt az alaplapba fizikailag is csak 1 db EPROM-ot tudunk csatlakoztatni, és ez a jelen esetben szerencsésen találkozik. (Persze általában az epromégetők szoftverei lehetővé teszik az adatok szerkesztését, tehát ha valaki az "egy-nagy" kiolvasott tartalmat "több-kicsi" részre darabolni akarja, az sem megoldhatatlan.)
Az átalakítás gyakorlati kivitelezése
Több különböző bonyolultságú megoldást
mutatok be, a legegyszerűbb 4kB-os játéktól (space invaders) fokozatosan jutva el a legbonyolultabb átkapcsolható
kettős lemezkezelő (UPM/DOS) operációs rendszerekig.
Ennek a cikknek a végén két A/4-es kapcsolási rajzot mellékelek, az egyik
a már korábbról ismert HBA rajzsorozat 3.-lapja. Ebben a korábbi piros
(2xBASIC átalakítás) berajzolás mellett most kékkel a cartridge kiegészítést
is berajzoltam. Ez a rajz a 27C256 EPROM típussal kivitelezett, kétféle
cartridge tartalom között átkapcsolható, illetve alap, csak BASIC (cartridge
nélküli) állapotba kapcsolás lehetőségét biztosító átalakítást ábrázolja.
A másik kapcsolási rajzon különböző méretű EPROMOK (27C128, 27C256, 27C512) esetén használható bekötéseket ábrázoltam. Az űrhódító játékot innen a weblapról töltöttem le, nekem sem volt meg. (Köszönet a közzétevőjének.) Kipróbáltam, működik, (bár ma már nem nagy durranás).
Az EPROM-ba égetendő anyagot urhodito.64k néven mellékelem. Mivel komolyabb költség nélkül lehet vele kísérletezni, ezért kezdjük ezzel. Az előző átalakítás során kimaradt 3db 27C64 EPROM-ok egyike éppen elég kapacitású erre a feladatra. Persze a törlés, felprogramozás azért ránk vár. Az űrhódítóval felprogramozott EPROM-ot úgy kell a D4-es foglalatba tenni, hogy a 20-as (CE ) lábat kihajlítjuk, a korábbi átalakításkor megismert módon. Erre a lábra el kell vezetnünk a cartridge csatlakozó B-oldal 23-as (CARTRIDGE) jelét egy vezeték darabbal, ami egyik végét a cartridge csatlakozóra (B23) kell beforrasztanunk, a másik végére "darabolható precidip" IC-foglalatból kitermelt csatlakozót kell forrasztanunk, a későbbi bonthatóság miatt, és ezt csatlakoztatjuk a kihajlított IC-lábra. (A forrasztást zsugorcsővel, vagy szigetelőszalaggal szigeteljük.) Azaz tulajdonképpen a 27C128-as kapcsolási rajz verzió szerint kötjük be, de mivel ez a méretű EPROM (27C64) nem használja az A13-as címbitet, így azt sem kötjük most be. A CART jelbe berajzolt kapcsolót is most még kispórolhatjuk.
Az így átalakított TVC egyjátékos játékgéppé
vált, bekapcsolás után azonnal űrhódítózhatunk vele. (A kis mászkáló bigyókat
kell szétlőni a mi tologatható izénkkel, anélkül, hogy minket lelőnének.) A
játék megunása után (maximum 5 perc) a gépet az EPROM kihajlított 20-as lábára
kapcsolódó, általunk bekötött, precidip foglalattal csatlakozó vezeték IC-lábról
lehúzásával, és az EPROM kivételével tudjuk újra visszaalakítani BASIC-es számítógéppé. (Bármilyen szereléshez a gépet ki kell kapcsolni.)
Mivel a játék be-ki kapcsolása így nehézkes, ezért a CART jel
útjába betervezett kapcsoló (HBA/3-lap), és 2 db 4,7kohmos
ellenállás beépítésével komfortosabbá tehetjük gépünket.

A fenti fényképen felül látható módon célszerű előkészíteni a kapcsolót. Ehhez a kapcsoló két szélső kivezetésére ráforrasztjuk a 2 db ellenállást (3kohm, és 10kohm között minden érték jó). Az ellenállások másik végét összekötjük, és kb. 6 cm hosszú vezetéket forrasztunk ehhez a ponthoz. A kapcsolón a középső, közös lábra, és az egyik szélső lábra (az ellenálláshoz) 1-1 db kb. 50cm hosszú vezetékdarabot kell forrasztani, a másik szélső (ellenállásos) kivezetésre kb. 20 cm-es vezeték kerül. A 20 cm-es vezeték másik végére forrasztjuk a precidip foglalatból kitermelt IC csatlakozó lábat. (Az ellenállásokat , és az IC-foglalat lábat zárlat elkerülésére szigetelni kell, lehetőleg zsugorcsővel.) Ez a kapcsoló is a modulátorházra lesz felforrasztva, a BASIC verziókat választó kapcsoló fölé, a már megismert módon. A kapcsoló bekötéséhez barbár módon fóliát kell vágnunk a forrasztási oldalon a cartridge csatlakozónál, a B23-as csatlakozási pontnál a nyomtatott áramkörön, mert gyárilag erre nem volt felkészítve a gép. Fóliavágás után a kapcsolóról jövő, szélső lábról induló 50cm-es vezetéket közvetlenül a cartridge csatlakozó B23-as lábára kell forrasztani. A kapcsoló középső lábáról jövő (másik) 50cm-es vezetéket a levágott nyomtatott áramköri fóliadarabon található első lyukgalvanizált pontra kell beforrasztani. (Az alábbi képen a csavartól jobbra.)

Az ellenállások közös pontjára menő vezetéket a +5V-os tápfeszültségre kell kötni. Célszerűen a kapcsolók melletti IC 14-es lába, illetve az arra kötődő nyomtatott fólia és szűrőkondenzátor lába lehet +5V forrás. A kapcsolóról jövő 20cm-es, IC-foglalattal ellátott vezetéket kell az EPROM 20-as lábára csatlakoztatni.
Használata:
Ha a kapcsoló úgy kapcsolódik,
hogy a CART jel az EPROM-hoz kerül,
akkor a gép a D4 foglalatban lévő EPROM-ba sütött cartridge program
szerint működik. A kapcsoló másik (cartridge csatlakozóra kivezetett
)
pontján az
ellenálláson keresztül +5V kerül, ezzel az esetleges külső cartridge-ot
kikapcsolja. A kapcsolót átkapcsolva, a CART jel
leválasztódik az EPROM-ról, helyére
az ellenálláson keresztül +5V kerül, ami tiltja (nem engedélyezi) az
EPROM működését. A CART jel kijut a
cartridge csatlakozóra, ha ide külső, gyári cartridge-ot dugunk, akkor
annak megfelelő program fut
a TVC-n, ha ez
üres, akkor az eredeti BASIC állapot él.
Elvileg ellenállások nélkül is működnie kellene, ha az EPROM, és a cartridge TTL kompatíbilis mindenben, de a CMOS technológiával gyártott alkatrészek esetén (pl a 27Cxxx EPROMOK ilyenek,) a katalógusok szerint bemenet nem maradhat lógva. Az ellenállás biztosítja itt CART jel nélküli esetben a stabil magas szintű állapotot. (Azaz működésbiztonsági okból javaslom az ellenállások beépítését.)
Ha 8kByte-nál (27C64) nagyobb EPROM-ot is használni akarunk, (márpedig akarunk,
hiszen a gyári cartridge-ok között nagyobbak is vannak), akkor az A13-as
címbitet is be kell kötnünk. Ehhez kb. 10cm-es vezetékdarab kell, az egyik
végén precidip IC-foglalattal. Ez a vége kapcsolódik a nagyobb kapacitású EPROM
kihajlított 26-os lábára. A vezeték másik vége a nyomtatott áramkör A13-as
pontjára kötendő, ami legközelebb a TB8-as ponton van. (Ezt a BASIC bővítéskor
mi magunk kötöttük át.) Ha akkor szigeteletlen vezetékből készült az átkötés,
akkor legegyszerűbben ehhez az átkötéshez forraszthatjuk hozzá a vezetékünket.
Ezzel az átalakítással már teljes, a maximális kapacitású (1 db) cartridge tartalom EPROM-ból való kezelésére készítettük fel a gépünket.



Az előző, űrhódító játék-tartalom mellett
még három, VIDEOTON belső használatú cartridge tartalmat adok közre, szintén
1 EPROM-os állományban. A "floptest.64k" EPROM-tartalom a gyári floppy-tesztelő
cartridge program, TVC-hez. Tulajdonképpen 32k-s EPROM is elég lenne, de mivel
az nem mindenben lábkompatibils (kisebb lábszámú) mint amire a D4-hely tervezve van,
másrész a BASIC átalakítás óta van felesleges 27C64-e mindenkinek, ezért egyszerűbb abba égetni ezt a tartalmat is.
(Figyelem, ezt a "floptest.64k" cartridge mentést most nem próbáltam ki, ahogy kb. 20-éve lementettem, most úgy teszem közzé, ha hibás, elnézést kérek.)
A "tvctest.128" a gyári (gyártósori)
3.0-s verziószámú TVC tesztprogram. (27C128-ba kell besütni.) (Valószínűleg mindenkit megnyugtat, ha így közel 20-év távlatából végre
hitelesen tesztelni tudja, hogy TVC-je, floppy-ja hibátlan.) (Ezt a "tvctest.128" mentést
most kipróbáltam, működik.)
A negyedik EPROM-tartalom tulajdonképpen ma is használható csemege elektronikai szakembereknek. A "tvcepreg.128" anyag a gyári, TVC-hez tervezett EPROM-égető vezérlő cartridge programja. Ez a HBE kapcsolási rajzú EPROM-égető rajz itt a web-lapon (www.tvc.homeserver.hu) is fent van, tehát utánépíthető. (Ezt a cartridge mentést most szintén nem próbáltam ki.)
Ha valaki floppy-val is rendelkezik,
akkor MSDOS kompatíbilis módon tud adatot ki, illetve bevinni EPROM-ba,
és ez a gyári EPROM-égető nagyon kultúrált, automatikusan felismeri a
belehelyezett EPROM-ot, beállítja az égetőfeszültséget, stb. Elvileg
ez az EPROM-égető kereskedelmi forgalomba is kerülhetett, de nem tudok
róla, hogy végülis került e? Vigyázat, itt a web-lapon is van egy másik
(nem VIDEOTON fejlesztésű) EPROM-égető is a TVC-hez, azzal semmiben sem
kompatíbilis ez a program. Az EPROM tartalmakat most is duplán mellékelem,
(eredeti, és másolat alkönyvtárban,) hogy EPROM-ba égetés előtt a letöltés utáni sérülésmentessége
ellenőrizhető legyen. (DOS fc parancsa). A 27C256-os EPROM-ban már 2 db
cartridge tartalom helyezhető el, ekkor egy újabb kapcsolóval a két tartalom
között is válthatunk. (A közölt fényképeken is ez a 3 kapcsolós változat
látszik.)
A beégetendő epromok tartalma innen tölthető le: cartridgebeepites.zip
Az átalakítási dokumentáció eredeti formájában innen tölthető le.
Éljen, és virágozzék a TVC!
Budapest, 2004 november 6
Csontos András
A cartridge beépítéssel bővített TVC további fejlesztése
Az előző cikk végén található képeken
három kapcsoló látható. A harmadik kapcsolóval (megfelelő EPROM esetén,
a BASIC átkapcsolással megegyező
módon) kétféle cartridge tartalom között lehet váltani.
Ehhez 27C256 EPROM-ba
kell beégetni a kétféle programot, és az A14 címbit (kihajlított 27-es
IC-láb) átkapcsolásával (+ resetelés) lehet váltani közöttük.
Ha újabb játék cartridge anyagok kerülnek elő, akkor azokból is szerkeszthető többjátékos tartalom, most azonban (kis elmélkedés után) egy számítástechnikai érdekességre való átalakításhoz adom meg a módszert, és az EPROM tartalmakat.
Az UPM/DOS átkapcsolás jelentősége (egyéni gondolatok, amelyekkel lehet vitázni)
Egy kis elmélet: az UPM a VIDEOTON
operációs rendszere. Ismereteim szerint bitszinten újraírt, de gyakorlatilag
teljesen kompatíbilis
a CP/M 2.2 operációs rendszerrel. Azt gondolom, elsősorban nem is anyagi
oka volt az újraírásának, mert a (múlt század) 70-es, 80-as éveiben
a kelet-európai (értsd szoc.) országok anyagi ellenszolgáltatás nélküli
szoftver-"használata" szankcionálhatatlan volt (a világ másik oldaláról).
Sokkal inkább azért kellett (kerül-amibe-kerül) alapon saját ,
teljesen ismert szolgáltatású operációs rendszer készíteni,
mert a VIDEOTON akkori gépei nemcsak a civil szféra számára
készültek (finoman fogalmazva). (90-es évek elején voltak
olyan VIDEOTON-os belső hangok, hogy az első Öbölháború után azért
kellett a VT-nek (külső nyomásra) nagyon gyorsan felszámolni
a katonai, és számítástechnikai részlegeit, mert a "nem jó" oldalra
került (pl. lokátor) számítógépes rendszerei műholdról, és egyéb külső
jelforrásról kikapcsolhatatlannak bizonyultak.)
A VTDOS már vásárolt operációs rendszer (az IS angliai cégnek, az ENTERPRISE számítógép fejlesztőinek a terméke, mint sok más is a TVC körül). A VTDOS sem történelmi előzmény nélküli. A VTDOS tulajdonképpen az MSX-DOS-sal (nagyon) kompatíbilis rendszernek néz ki, a (CP/M-mel pedig (nagyon) kicsit kompatíbilis). (Körülbelül mint a Windows a Linux-szal.) (Tudom, ezen a ponton magyarázkodnom kell, az irodalom így-úgy (pl. "binárisan") kompatibilisnek mondja őket, sőt sokan a PC-s világ MS-DOS-át is CP/M alapúnak tekintik.
Szoftveres szemmel lehet, hogy igazuk van, én azonban hardveresként úgy vélem, ha valami nem teljes értékűen csereszabatos egy másik dologgal, akkor az nem kompatíbilis. (Most itt a lehetőség mindenkinek, aki TVC+floppy-val rendelkezik, összehasonlítsa a kétféle operációs rendszert, és saját véleményt alakítson ki róluk.)
Persze a TVC szempontjából a konkrétan erre a géptípusra írt anyagok (nagyobbrészt játékok) csak tároló-helyként használják a floppy-t, minden szolgáltatást az alapgép nyújt, ezért a kétféle lemezformátum (általában jól) konvertálható oda-vissza.
A fenti látszólagos UPM/VTDOS kompatibilitással szemben teljesen mást tapasztalunk, ha a floppycsatoló mellett az "operációs rendszer cartridge" is csatlakoztatva van.
UPM üzemmódban egy (ősi, fapados,
katonai jellegű) 80-karakter/sor konzolképernyő jelentkezik a TVC-nk helyett,
valódi többfelhasználós
operációsrendszer szolgáltatást nyújtva. VTDOS üzemmódban elég jól használható
módon MSDOS parancsokkal vezérelhető operációs rendszerhez jutunk, persze
a gyökeresen eltérő processzorkörnyezet miatt a PC-re írt programok TVC-n
használhatatlanok, és visszafelé is csak emulátoron keresztül működik
a dolog. (Viszont a VTDOS-os lemezek PC-n írhatók, olvashatók.)
Az UPM-VTDOS rendszerek közötti nem egyetlen, de igen lényeges különbség például, hogy a DOS környezet használ alkönyvtárakat (directory), a CP/M környezet nem. Viszont a CP/M környezet hivatalból megkülönbözteti a felhasználókat (és programjaikat) (user number), mindenkinek csak annyi lehetőséget biztosítva, amennyihez joga van. (Állítólag napjaink egyik népszerű operációs-rendszerében is terveznek majd ilyet, például vírusvédelmi okból.(Egy másik mai operációs-rendszer eleve többfelhasználós.)) (UPM/VT-DOS rendszer átkonvertálás esetén a komolyabb fejlesztői rendszerek (programnyelvek), adatbázis kezelők a legritkább esetben működőképesek, ha az eredeti operációs-rendszerükről a másik alá konvertálják őket.)
Igazi UPM dokumentáció jelenleg (2004-11-17) nincs fent a web-lapon (tvc.homeserver.hu), ami van, csak az UPM lemezkezelőt írja le, de igazi rendszerprogram cartridge anyagot (én legalábbis) nem találok fent.
Az átalakítás
Fontos: csak 64kB memóriával, és floppycsatolóval rendelkező gépen van értelme az alábbi átalakításoknak!
Négy ponton kell átalakítást végeznünk
rendszerünkben, a szerszámigény ugyanaz, mint a cikksorozat elején. A
korábbi cikkek alapján már megismert módon, a (legegyszerűbb) feladat az UPM/DOS
cartridge EPROM beépítése D4-helyre. A beégetendő bináris állományt CUPM_DOS.256 néven mellékelem. (Első karaktere "c" mint
cartridge, 27C256-os EPROM-ba kell beégetni.) Első feladat: felprogramozott
EPROM-ot a 20-as, 26-os, 27-es lábakat kihajlítva kell a korábbi cikkben
leírtak szerint a D4-es foglalatba tenni, és csatlakoztatni. Ehhez
egy harmadik tolókapcsolót is be kell építeni TVC-nkbe, az előző cikkben
a fényképen látható módon, és a kapcsoló közös pontját az EPROM 27-es
IC-lábra (precidip foglalatlábbal) csatlakoztatni, valamint a két szélső kontaktus
egyikét testre, a másikat +5V-os (TVC belső) tápfeszültségre kötni.
Ez az átalakítás kipróbálható, az alapgép
önmagában (floppy nélkül) bekapcsolva, UPM üzemmódban már a 80-karakteres
konzolképernyőn küld hibaüzenetet. DOS állásban normál, TVC bejelentkezést
produkál.

CUPMDOS.256 EPROM csatlakoztatva.
Második tennivalónk a memória-lapozás beépítése a DOS üzemmódhoz. (Ezt csak a HBA-panelen kell elvégezni, a későbbi HBA-2-es panel eleve ilyen.)
.
HBA rajz 1.lap részlet és HBA-2 rajz 1.lap részlet
A fenti kapcsolási-rajz részleteket összehasonlítva látható, hogy a HBA-2 gépben a DA7-es memóriacímző vonal jele két másik (lap címző) jellel "összekapuzva" jut a memóriára. Ezt a kiegészítő áramkört nekünk is be kell építenünk, amennyiben HBA panelünk van, és VTDOS üzemmódot akarunk a floppy-val használni. Az átalakításhoz egy 7402 típusú (TTL) IC-re van szükségünk, amelyet előkészítve építünk be.

Az előkészített 7402-es IC
Az előkészítés menete: a 7-es, és 14-es lábak kivételével a többit jobbra-balra széthajtogatjuk (kiterítjük). A 4-es, és 11-es lábakat az IC tetején át teljesen visszahajtjuk és egymással összeforrasztjuk. A 12-es, és 13-as lábakra kb. 6 cm-es vezetékeket forrasztunk, az 5-ös, és 6-os lábakra pedig kb. 20 cm-es vezetékeket. Az 5,6 lábak teljesen egyformák logikailag, ezért az általam használt vezeték (PC floppy szalagkábel két vezetéke) csak a végein van kettéválasztva, és különösebben nincs erenként megkülönböztetve. (Az IC több kaput tartalmaz, mint amire szükség van, más jó bekötés is lehetséges, de ha a gyári kapcsolást építjük utána, akkor nem kell katalógusokkal vacakolni, ezért lett pont így. A TTL IC-k bemenete gyárilag magas logikai szintre áll be, ezért nem szükséges a nem használt bemeneteket sehova sem kötni. Tulajdonképpen a nem használt IC lábak akár tőből le is vághatók. A 7-es és 14-es kell, azok maradjanak!)

A memórialap kapuzó IC beépítése, és R34-hez
bekötése

A G10-es IC 1-es és 3-as lába bekötve az
extra, memórialap kezelő IC-hez
Az előkészített IC-t rögzítenünk kell , és tápfeszültséggel kell ellátnunk. Mindkét feladatot megoldjuk, ha az IC-t az alaplapon a célhoz közel lévő, 7-es, és 14-es lábon táplált IC-re felforrasztjuk. A közelben, forrasztópákával viszonylag jól megközelíthetően a D11-es IC felel meg nekünk, tehát ennek a hátára kell ráfektetni az előkészített extra IC-nket, és a két IC 7-7, valamint a 14-14 lábait egymáshoz kell forrasztanunk.
A DA7-es adatvonalat fóliavágás nélkül, az R34-es ellenállásnak a 74157-es IC-re csatlakozó lábának, a panelból való kiforrasztásával tudjuk megbontani. Az extra IC-nk 12-es lábáról jövő vezetéket a panelba a kiforrasztott ellenállásláb helyére kell bekötni. A 13-as IC-lábról jövő vezetéket pedig a kiforrasztott ellenálláslábhoz, a levegőben kell hozzákötni, és zsugorcsővel szigetelni ezt a forrasztást. Az extra IC 5-ös 6-os lábáról jövő két vezetéket a G10-es IC-nek az 1-es, és 3-as lábára kell bekötnünk, a sorrend lényegtelen. (Gyárilag nincs előkészítve, közvetlenül az IC-lábakhoz kell forrasztani.)
Harmadik tennivalónk egy kényelmi extra vezeték beépítése, hiszen célszerű az UPM-VTDOS átkapcsolást a cartridge, és a diskcsatoló EPROM-oknál egyszerre (párhuzamosan) elvégezni. Ehhez a cartridge EPROM (D4 foglalat) 27-edik (kihajlított) lábára csatlakozó (UPM/VTDOS) vezetékre kell továbbmenő vezetéket kötni, átvezetni a HBA lap másik (forrasztási) oldalára, és ott a kártyacsatlakozók egy nem használt pontjára bekötni. Az átvezetést körültekintően kell elvégezni, a "jól kézre álló" furatok a panelon összeszereléskor csavarhelyként funkcionálnak, azokon nem célszerű vezetéket átdugni. A vezeték hossza itt nem lényeges, és nem zavaró, fix 0V, vagy +5V megy rajta, zavar, vagy sebességgond nem várható, kényelmesen hosszú vezetéket lehet használni.
A HBA, és a HBA-2 rajzokat összehasonlítva két, egyik panelon sem használt kártyacsatlakozó lábat találtam, a B6, és a B33 pontokat. Én (önkényesen) a B33-as pontot használtam a saját gépemnél. Kényelmi okból, hogy ne számítson, hogy melyik helyre van bedugva (a pillanatnyilag még nem létező) disk-csatolóm, mind a négy kártyacsatlakozónál bekötöttem ezt a lábat.

A gyárilag nem használt B33 csatlakozók UPM-VTDOS átkapcsoló-jel
kivezetésre átalakítva.
Ezzel a TVC átalakítása elkészült.
A Diszk csatoló átalakítása
A TVC összeszerelhető, negyedik (utolsó) lépésként a disk-csatoló átalakítása van hátra. (Erről fotót nem tudok prezentálni, mivel pillanatnyilag nekem nincs disk-csatolóm.)
A floppy kártyán az EPROM-ot 27C256-osra kell cserélni, amiben a DUPM_DOS.256 (első betű d, mint disk) bináris állományt kell beégetni. Az EPROM-ot a 27-es lábát kihajlítva kell a helyére nyomni, a 27-es lábra egy egyik végén precidip foglalattal ellátott vezetéket kell csatlakoztatni, és ennek a vezetéknek a másik végét a diskcsatoló (emlékeim szerint a panelon kialakított, de sehová nem vezető) B33-as pontjának a kártya belseje felé eső szélére kell beforrasztani úgy, hogy a TVC-hez csatlakozáskor a forrasztás még ne okozzon akadályt. (A csatlakozó felületre már ne fusson rá az ón.) Biztonsági okból az EPROM 27-es lábára csatlakozó vezetéket célszerű 4,7kohm (2k-tól 5k-ig bármi jó) ellenállással vagy testre, vagy +5V-ra "húzni".
Ebben az esetben idegen (nem átalakított) TVC-ben is üzemképes marad a csatoló, ha az ellenállás testre húz akkor UPM, ha +5V-ra, akkor VTDOS az "alapértelmezett" disk formátum, (És az EPROM CMOS IC bemenetét nem tanácsos "üresen" hagyni). Mivel a floppy-csatoló hiányában kipróbálni nem tudom hogy mindenre jól emlékszem-e, ezért kérem, hogy akár sikeres, akár problémás az átalakítás, (és/vagy a használat,) akkor ide a web-lapra az esetleges többi átépítőnek (és nekem is) küldjetek tájékoztatást az eredményről.
A beégetendő epromok tartalma innen tölthető le: vtdosupm.zip
Az átalakítási dokumentáció eredeti formájában innen tölthető le.
További fejlesztési lehetőségek
(szintén nem
megvalósított, de gondolatébresztőnek jó)
A D4-es foglalatban elhelyezhető legnagyobb kapacitású
EPROM a 27C512-es típus lehet. Ekkor az A14 (27-es láb) címvonal váltás mellett
egy újabb 0/+5V váltókapcsolóval
az A15 (1-es láb) címvonalat kapcsolgatva összesen 4 féle cartridge tartalmat
tudunk váltogatni. (Kapcsolási rajz az előző cikk végén látható.) Ebben
az estben viszont mindenkinek magának kell összeszerkeszteni a neki kedves
EPROM tartalmat. Eprom-égetővel könnyebb, ott 16kB-os határokon kezdve
(0, 4000H, 8000H, C000H) kell beégetni a négy anyagot. Ha nem mi égetjük
az EPROM-ot, hanem kész, egybeszerkesztett anyagot kell átadni az égetést
végzőnek, akkor a DOS COPY parancsával lehet "összeadni" programokat.
Ebben az esetben 16kB-os (16384byte) méretű anyagokból kell kiindulni.
Ha kisebb, pl. 4kB-os játék, akkor négyszer "össze-COPY"-zva lesz 16kB-os
anyagunk.
COPY /B jatek.32k+jatek.32k+jatek.32k+jatek.32k jatek.128
Itt a /B kapcsoló a bináris összeadásra állítja a programot, a jatek.32k név helyett az összeadni kívánt program neve legyen, a jatek.128 helyett a végeredmény file nevét kell írni. Tulajdonképpen csak helyet tölt ki a 3 db plusz egyforma játék, de így egyszerűbb helyet foglalnunk, mint "szövegszerkesztenünk" 12kB hexa FF adatot. Ha megvannak a 16kB-os állományaink, akkor a fentiek szerint összeadva őket (COPY /B 1_jatek.128+2_jatek.128+3_jatek.128+4_jatek.128 eredmeny.512) kapunk egy pontosan EPROM kapacitás méretű állományt. Ezt kell beégettetni. A fentiek szerint amikor mindkét (A14, A15) címvezetékre 0-van kapcsolva akkor az 1_jatek.128 anyag lesz kiválasztva. Ha A14-re +5V, A15-re 0V kapcsolódik, akkor a 2_jatek.128-cal játszhatunk. Ha A14-re 0, és A15-re +5V kapcsolódik, akkor a 3_jatek.128 az eredmény, és ha mindkét bemenet +5V-ra kötődik, akkor a negyedik helyre beégetett cartridge programmal fog jelentkezni a TVC.
A VT-DOS rendszerből később javított változat is készült, ezért elküldök e cikkel együtt cupmujdo.256, és dupmujdo.256 néven is anyagokat, az UPM része nem változott, de a VTDOS része újabb fejlesztés (javítás). A régi DOS emlékeim szerint 1.1, az új 1.2 verziószámú. Ezeken kívül feltöltöm az eredeti 1.1-es verziószámú TVC-BASIC EPROMjainak a tartalmát is (5 IC-s, persze össze COPY-zható). Emlékeim szerint kissé "bug"-os (gyárilag), de történelmi emlékként legyen fent. Ugyanezen (történelmi) okból az UPM, a VT-DOS, és az új VT-DOS EPROM tartalmát is elküldöm eredeti (gyári 27C128 EPROM méretű) formájukban. Még gondolatébresztőbbnek szánva: tulajdonképpen elképzelhető 3 BASIC (1.1, 1.2, 2.2) -re felbővített TVC is, a SYS anyagok 27C512-ben, az EXT anyagok 27C256-ban, az UPM, VTDOS, "új" VTDOS, (plusz még egy cartridge játék) a cartridge, és diskcsatoló EPROM-okban (2 db 27C512). Ekkor persze újabb két átkapcsoló vezetéket is ki kell építeni az EPROM-ok felé, és még egyet a diskcsatolóhoz. Ekkor már a modulátorhoz nem tudunk annyi kapcsolót forrasztani amennyi kellene, tehát más kapcsoló elhelyezési metódust kell találni. Még egy tapasztalat, a modulátorhoz forrasztott 3-kapcsolós rendszernek az eddig "béna" reset-gombja megtáltosodik, a kapcsolók felfelé a dobozhoz támaszkodva merevítik az alaplapot, a reset használatakor az nem rugózik, nem leng össze-vissza, hanem stabilan áll, mint….
Sok sikert!
2004-11-19 Csontos
(Halász Gábor, Majzik _István, Csontos András, Schäffer András, Völgyi Antal)