Falcsik Tamásnak hála, újabb TVC hardverrel gyarapodott virtuális műszaki múzeumunk:
TVC serial (RS232) interface
![]() |
3 db sokat gyötört, de visszafejthető példányát kaptam meg, dokumentálási céllal. |
![]() |
Az eszközök a Honvédségnél "teljesítettek" szolgálatot, 2 db gyári VIDEOTON elektronika, részben "átmunkált" műszaki állapotban, a harmadik egy utángyártott verzió jelentősen eltérve az eredeti kapcsolástól.
Fényképeket, és az elektronikákból visszafejtett kapcsolási rajzokat mellékelem.
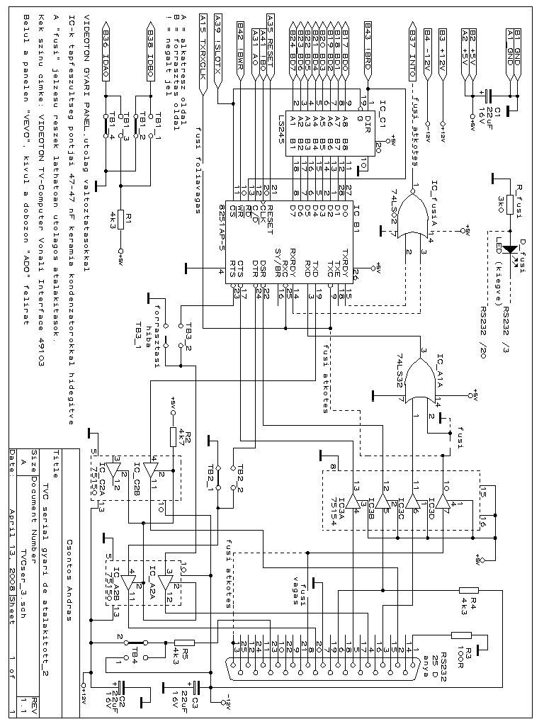
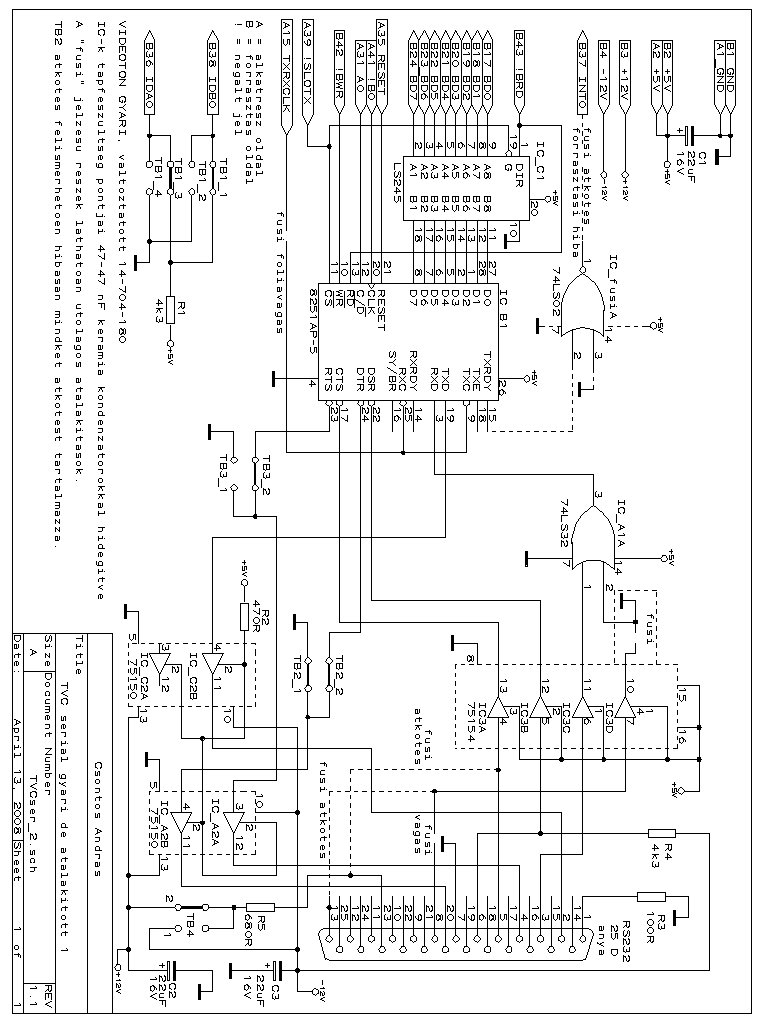
Az után-gyártottról készült "visszarajzolt" TVCser_1.sch néven mellékelem, a VT gyári, de átalakított panelek tapasztalt állapotát
a TVCser_2.sch, és TVCser_3.sch rajzokon ábrázolom. Ezeken változtatás nélkül, a felismerhetőn hibás állapotokat is rögzítve,
illetve a hiányzó vezetékeket nem pótolva ábrázoltam a paneleket. (Azaz úgy, ahogy kaptam.)
A két rajz "összenézése" alapján a TVCser_3.sch a jobb (érthetőbb) állapotú panel.
Az átvizsgálás során kettős érzület motoszkált bennem:
Az egyik szerint elégé igénytelen munkával, a másik szerint viszont értelmes céllal készültek az átalakítások.
A munka minősége a fényképekből követhető.
Az átalakítás célja már érdekesebb, először Falcsik Tamástól kapott információ:
"Nos... megtudtam, hogy mire (is) használták a TVC-t katonáék....
Volt egy jelentőrendszer, mely több vidéki központot kötött össze, TVC-k segítségével. A lényeg az volt, hogy kódokkal kommunikált (pl. H2 C14) és ezt a másik oldal lefordította magyarra (pl. felderített bázisok 2, megsemmisült egységek 14).
Eléggé elnagyolt, de így működött nagy vonalakban.
Mindegyik TVC össze volt kötve 0-24 modemes kapcsolattal, 14,4 kbps sebességgel, és tulajdonképpen ennyi. :)
Megpróbálok több részletet kideríteni!
A fent említett kódok csak példák, a valósággal való egyezés csak a véletlen műve. :) "
Viszont a tapasztalataim (legalábbis ezekkel az eszközökkel) a fentieknek ellentmondanak.
Az eredetileg aszinkron átvitelre tervezett VIDEOTON elektronikákat szinkron átvitelűre alakították át.
A TVCser_1.sch rajzon ábrázolt (nem VIDEOTON-os) eszköz lehetett az "órajel adó", a másik két eszköz az órajel vevő eszköz.
(Mester - szolga kapcsolat.) Természetesen az információáramlás (adatátvitel) már lehetett kétirányú.
Mivel a szinkron órajel is átvitelre kellett, hogy kerüljön, így a normál (civil) aszinkron modemek itt valószínűleg
használhatatlanok lehettek.
A működtető szoftver hiányában pillanatnyilag ennél többet kideríteni nem tudtam.
A TVC beépített (EPROM-ba égetett) BIOS szintű (aszinkron) programja itt valószínűleg nem volt használható, hiszen az
adatforgalom interrupt-ot váltott ki (B37_INT0), tehát valószínűleg saját szoftvert kellett írni erre a szinkron átviteli módra.
A Tvcser_2.sch rajzon a TB1 jumperek bekötése, és a Tvcser_1.sch rajzon az utángyártott eszközön ezen jumperek hiánya egyaránt azt sugallja, hogy a gyári, EPROM-ba égetett periféria azonosító programrész ezeket az eszközöket "ismeretlen"-ként azonosította, azaz nem kezelte.
Lehetséges, hogy adatvédelmi (polgári eszközökkel nehezebben lehallgatható, és még nehezebben meghamisítható) okkal készült ez a kialakítás. Vagy valamiféle, már a TVC előtt rendszerbeállított átviteli vonalhoz, vagy eszközhöz is igazodhatott. (Pl. eredetileg géptávírós kapcsolat vonala.)
(A paneleket nem kapcsoltam be, egyrészt felismerhetően nem tökéletes egyik sem, másrészt a programja nincs meg (pillanatnyilag). Harmadrészt PC-RS232 portra kötve (ezekkel a szinkron eszközökkel,) nem várható értelmes kommunikáció, (két TVC-m pedig nincs), és végül féltettem a TVC-met. :) )
Természetesen lehetséges, hogy nem átalakított panelekkel folytak modemes kísérletek, azonban a 14,400-as sebességet nem tartom reálisnak. Akkoriban (1980-as évek) a mechanikus "géptávírók" még 50 baud sebességgel "mentek", és az is elég volt a gépírás továbbításához. A polgári életben az 1980-as évek végén még a kézi-kapcsolású vidéki postaközpontok, és légvezetékek domináltak, így a civil életben a hazai gyártású "akusztikus modem" is csak később jelent meg, ahol a "távbeszélő készülék kézibeszélőjét" (telefonkagyló) kellett ráhelyezni a modemre, és az "belecsipogta" az infót. (Ez 2400 bps sebességű volt emlékeim szerint.) (Persze a sereg azért "más cég" volt.)
Ha valakinek konkrétabb emlékei vannak, kíváncsian várjuk!
Ahhoz, hogy az eszközök működési elvét (az elektronikai szakemberek) megérthessék, az alkatrészekről begyűjtött katalógusokat is mellékelem (.pdf formátumban). Így mások is el-elmélkedhetnek a dologról. Letöltés: Alkatrész katalógusok
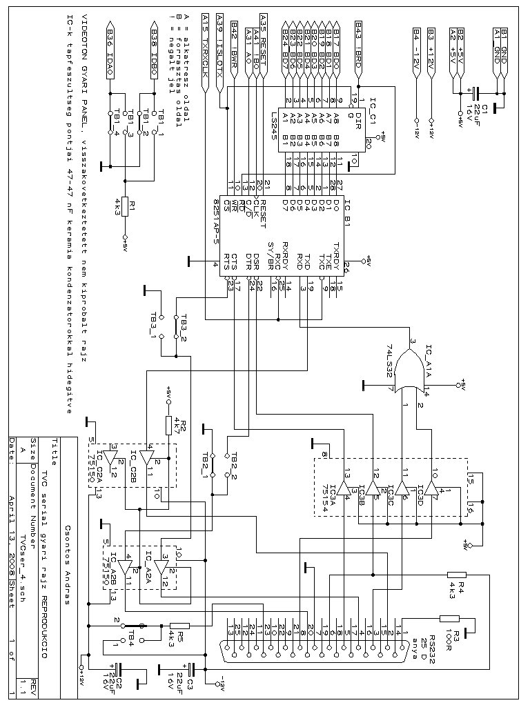
Visszatérve a TVC VIDEOTON gyári RS232 eszközhöz: a gyári panelek elméleti, azaz csak papíron történt "visszaalakítását" és az eredeti használati utasítás (sorosvonaliif.pdf) alapján a jumperek beállítását a TVCser_4.sch rajzon ábrázolom. Ez pillanatnyilag nincs megépítve, tehát tartalmazhat hibát! Ha valaki a gyári panelek fényképeit mintaként használná, vigyázzon, mert a gyári feliratozás (pl. a portok sorszámozása) fordított a TVC-hez képest! (Valószínűleg nullszériás, kísérleti példányok voltak.)
(A rajzokat, képeket .pcx és .tif formátumban mellékelem. A rajzokat "álló" A/4-es formátumban, (portré,) hogy kinyomtathatók legyenek.)
Letölthető rajzok: TIF: 01 02 03 04 PCX: 01 02 03 04
(A rajzokon a logikai jel neve előtti felkiáltójel a jel "negált" mivoltára utal. Ezt az eredeti TVC dokuk "felülvonással" jelölték.)
A "sorosvonaliif.pdf" innen a weblapról származik.
A fotók mobiltelefonnal, elég gyenge fényviszonyok között készültek, ezért elnézést kérek.
![]() |
![]() |
Az eszköz viszonylag kevés alkatrészből utánépíthető, még "próba-nyák"-on is, kellően kisméretű kialakítással tulajdonképpen a TVC belsejébe beépítve elrejthető. A 8251-es IC még néha fellelhető, a kimeneti szintillesztést a ma is létező MAX232-re célszerű bízni. Szerencsére viszonylag kevés vezetéken kapcsolódik a TVC-hez. A lehetséges több mint 80-ból alig több mint 20-on. Ezen a módon kialakítható lenne egy TVC - PC kapcsolat. Ha időm engedi, és más meg nem előz, akkor lehet, hogy elkészítem, és a tapasztalatokat elküldöm ide, a weblap-szerkesztőknek közlésre.
A dobozolásról készült képek részben a VIDEOTON gyári bővítőkártya tokozást mutatják, részben pedig az utángyártott bővítőkártyáét. Ez utóbbi elektronika a két, TVC-slotba bedugható, bővítőkártya méretű plexilap közé M3-as átmenő csavarokkal lett beszerelve, majd kívülről a plexilapok fautánzatú öntapadós tapétával lettek bevonva. Az eszköz keskeny oldalain a tapéta a "levegőre lett ragasztva", azaz csak a szélein, a plexilapokon rögzült.. Természetesen az utángyártott eszköz az interfész végét rögzítő rugalmas műanyagkörmöt sem tartalmazta.
![]() |
![]() |
Mégegyszer: a TVC-közösség nevében is köszönöm Falcsik Tamásnak, hogy nem hagyta elveszni ezeket az ismereteket, hanem lehetővé tette a közkinccsé válásukat, továbbá köszönöm Sebestyén Pálnak, hogy az elkészült anyagot átnézte, és jó néhány hibát talált, és jelzett felém, és egyéb észrevételekkel is segítette ennek az anyagnak a "kikerekedését", így a weblapra kikerülő anyag már átesett egy elvi ellenőrzésen.
Ha valakinek észrevétele van az anyaggal kapcsolatban, akkor a csontykukacfreemailponthu címen érhet el.
2008. április 15. Csontos András
A végére pár kép az eredeti soros vonali interface-ről