CARTRIDGE
A TVC egyik bővítési lehetősége, a máshol
már jól bevált cartridge volt.
Nem sok készült ilyen, de azokat ezen az oldalon
megpróbáljuk összeszedni.
Ezeket a HBR jelű kártyára szerelték fel.
![]() |
![]() |
üres HBR kártya alkatrészek ültetesi oldala... |
és hátoldala |
SPACE INVADERS (#49201)
A 49201-es sorozatszámú kártya a SPACE INVADERS kártya volt. Erről többféle fotó is van, melyek szerint eltérés van közöttük, bár mind a kettő a HBR nyákot használja. Ez a kártya a ROM tartalom ismeretében könnyen legyárthatóvá válik, mert egy EPROM-ot és egy 74LS138N-et tartalmaz csak, meg pár kondenzátort, ellenállást.
![]() |
![]() |
![]() |
Az űrhódító cartridge... |
||
Űrhódító tok borító első oldala |
Űrhódító tok borító belső oldala |
Az űrhódító kártya kívülről |
Űrhódító Cartridge és belseje |
Ami jó hogy a
Space Invaders kártyáról nem csak képek, hanem ROM mentés is van, ami szintén
letölthető:
Space Invaders ROM mentés (#49201)
UPM Cartridge (#49202)
Ezzel a kártyával lehetett életet lehelni az UPM floppy meghajtóba.
UPM Cartridge |
UPM Cartridge borító |
UPM Cartridge borító fül |
UPM Cartridge és belseje |
Plusz egy teljes nagyságú borító:

BRIDZS (#49203)
A 49203-as sorozatszámú kártya a BRIDZS volt,a felépítése kicsit másabb, az 4 EPROMOT tartalmaz.
Bridzs cartridge tokja |
Bridzs cartridge |
Bridzs cartridge belseje |
DEBUGGER (#49204)
A 49204-as sorozatszámú kártyaegy debugger programot tartalmaz.
Debugger cartridge |
Debugger cartridge belseje |
Debugger cartridge forrasztási oldala |
MENÜ KÁRTYA (Videoton belső fejlesztés)
![]() |
|
TVC Menü cartridge |
... és a nyákja |
A menü kártya egy Videotonos belső használatra készült fejlesztés volt, sajnos sokat nem tudunk róla. Várom az információkat, és egy ROM mentést, jó volna tudni róla, mi volt benne.
Végteszt Cartridge (Videoton belső fejlesztés)
![]() |
![]() |
Végteszt cartridge |
... és a nyákja |
Itt van pár cartridge mentés amit már epromégetővel csináltak, és sikerült kimenteni:
(A mentésekért köszönet Csontos Andrásnak)
|
|
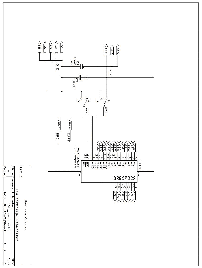
TVC cartridge elvi utánépítés
Érdeklődés szintjén felmerült, hogy a TVC cartridge-ot miként lehetne utánépíteni.
(A fenti cím azért tartalmazza az "elvi" szót is, mert az itt leírtakat nem próbáltam ki a gyakorlatban.)
A leírtak végén két A/4-es lapot mellékelek, az elsőn (HBR_TVC.sch) a gyári cartridge panel "visszarajzolása" látható.
Ez alapján esetlegesen meglévő cartridge hardver átalakítható többjátékos kivitelűre, vagy az EPROM-ok játékonkénti cseréjével, vagy nagyobb kapacitású, több játékot tartalmazó EPROM, és címkibővítő kapcsolók beépítésével.
Ennek a panelnak az utángyártása értelmetlenség lenne, a korábbi cikkben leírtakat tudom csak ismételni:
A cartridge kívülről egy darab EPROM-ot valósít meg, valószínűleg a 80-as évek (1980-as :) kelet-Európájának az alkatrész-beszerzési anomáliái miatt úgy kialakítva, hogy mindenféle (kicsi) beszerezhető EPROM-ból összeállítható legyen a szükséges (nagyobb) méret. Ma újonnan is, de bontottan is beszerezhetők a szükséges alkatrészek, viszont a nyomtatott áramkör kis-szériásan gyártatása költséges mulatság, és az ár négyzet-centikben számolódik, ezért a második mellékelt lapon (TVC_cart.sch) egy végtelenségig egyszerűsített verziót ábrázolok. Ez annyira egyszerű, hogy amennyiben valaki be tud szerezni megfelelő "nyákcsatlakozós próbapanelt" (pár éve a CONRAD ajánlatában még szerepelt), és abból kiszabja pl. lombfűrésszel a szükséges méretet, akkor azon kézzel is "behuzalozható" az áramkör. Persze legyártatható, akár annyira kis méretben is, (négyzetcentik), hogy már a TVC-hez csatlakoztatása, és kivétele okozna gondot.
Az ábrázolt elrendezés 27c64-től 27c512-ig fogadhat EPROM-ot.
Az EPROM adatokkal való feltöltése, és a címválasztó kapcsolók használata ügyében a weblapra (tvc.homeserver.hu) is kitett "Cartridge tartalom beépítése." című cikkemre hivatkozok, az ott leírtak most is érvényesek.
Minden kísérletezőnek sok sikert!
A két kép: gyári panel, egyszerűsített panel
Budapest, 2005-07-08 Csontos András
Az oldalon szeretnénk bemutatni a többi programtárolásra szolgáló kártyát, illetve - egy-egy nekik dedikált oldalon a különböző illesztőkártyákat - UPM , VTDOS, párhuzamos port, rajzpad, stb. kártyákat.
Egyelőre álljon itt 3 fotó még HBR kártáykról, ismeretlen tartalommal. Várjuk a megoldást.
Várjuk azok jelentkezését, akik ilyesmivel rendelkeznek és segíteni tudnak.
vargaviktor@pro.hu
(Kiss Károly,Csontos András,Klujber Péter, Tasnádi Péter, Schäffer András)